1.25MCY14-1B,高壓柱塞泵將具有31.5MPa壓力的純凈的液壓油輸入到各種油壓機、液動機等液壓系統中,以產生巨大的工作動力。
同時該油泵可以作為液壓馬達使用。根據需要,本油泵有多種變量形式。1.25MCY14-1B,高壓柱塞泵,油馬達廣泛用于船舶、航空、礦山、冶金、壓鑄、鍛造、機床的各類機械中,其特點是體積小、效率高、壽命長、設計先進、結構緊湊、維護方便。
型號說明 示例:63SCY14-1B 表示:排量為63毫升/轉,壓力為31.5MPa的手動變量的缸體旋轉的軸向柱塞油泵。 (即1000r/min時公稱流量為63L/min)
油泵系列規格(見表1.表2) 表1 CY14-1B、CM14-1B軸向柱塞泵(馬達)系列參數
公稱排量 | 1.25 | 2.5 | 5 | 10 | 2.5 | | 63 | 160 | 250 | 額定壓力(MPa) | 31.5 | 理論(空載)排量(ml/r) | 1.74 | 3.49 | 5.5 | 10.9 | 26.9 | | 67.8 | 175.6 | 253.8 | 1000r/min的公稱流量(l/min) | 1.25 | 2.5 | 5 | 10 | 25 | 40 | 63 | 160 | 250 | 公稱轉速(r/min) | 1500 | 1500 | 1500 | 1500 | 1500 | | 1500 | 1000 | 1000 | 最高轉速(r/min) | | 最大理論扭矩(Nm) | 8.7 | 17.5 | 27.4 | 54.6 | 134.9 | | 339.9 | 880.3 | 1272.4 | 1000r/min的最大理論功率(KW) | 0.9 | 1.8 | 2.9 | 5.7 | 14.1 | 20.7 | 35.6 | 92.2 | 133.2 | 變量 形式 | CCY14-1B | | | | 0 | 0 | | 0 | 0 | 0 | DCY14-1B | | | | √ | √ | √ | √ | √ | √ | YCY14-1B | | | | √ | √ | | √ | √ | √ | SCY14-1B | | | | √ | √ | √ | √ | √ | √ | MCY14-1B | | | | √ | √ | | √ | √ | √ | PCY14-1B | | | | √ | √ | √ | √ | √ | √ | LCY14-1B | | | | 0 | 0 | | 0 | 0 | 0 | ZCY14-1B | | | | 0 | 0 | 0 | 0 | 0 | 0 | MYCY14-1B | | | | √ | √ | | √ | √ | √ | BCY14-1B | | | | √ | √ | √ | √ | √ | √ |
※注:經技術洽談后訂貨,有“0”者表示油流可以換向,有√者表示油流不可換向,空白者表示無該品種。
表2 GY14-1B(GM14-1B)軸向柱塞泵(馬達)系列參數
公稱排量 | 16 | 32 | 80 | 400 | 額定壓力(MPa) | 25 | 理論(空載)排量(ml/r) | 17.0 | 34.1 | 87.6 | 365.5 | 1000r/min的公稱流量(l/min) | 16 | 32 | 80 | 400 | 公稱轉速(r/min) | 1500 | 1500 | 1500 | 1000 | 最高轉速(r/min) | 特定 | 最大理論扭矩(Nm) | 67.6 | 135.5 | 348.2 | 1452.7 | 1000r/min的最大理論功率(KW) | 7.4 | 14.8 | 37 | 169.2 | 變量 形式 | CGY14-1B | 0 | 0 | 0 | 0 | YGY14-1B | √ | √ | √ | √ | DGY14-1B | √ | √ | √ | √ | SGY14-1B | √ | √ | √ | √ | MGY14-1B | √ | √ | √ | √ | PGY14-1B | √ | √ | √ | √ | LGY14-1B | √ | √ | √ | √ | ZGY14-1B | 0 | 0 | 0 | 0 | BGY14-1B | √ | √ | √ | √ | MYGY14-1B | √ | √ | √ | √ |
※注:本產品屬CY系列派生系列
MCY型軸向柱塞泵結構原理簡述
MCY型軸向柱塞泵,其原理較為簡單,泵的傳動軸與缸體用花鍵聯接,帶動缸體旋轉,使均勻分布在缸體上的七個柱塞繞傳動軸中心轉動。每個柱塞端部有一個滑靴,定心彈簧通過內套鋼球、回程盤,將滑靴壓在與軸線成一定傾斜角的斜盤上。當缸體旋轉時,柱塞同時作往復運動,完成吸油和壓油動作。定心彈簧通過外套將缸體壓配油盤上,起初始密封作用。滑靴和配油盤均采用了油壓靜力平衡,不但減少了泵的磨損,而且使泵具有很高壓的容積效率和機械效率。
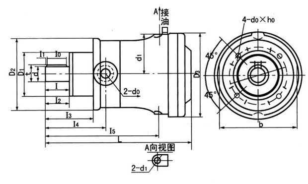
結構圖  | 特性曲線 | | | 1.25,2.5,5MCY14-1B | | | 推薦管道尺寸 | 推薦管道尺寸 | 規格 | 進出口油管 | 回油口 | 1.25,2.5MCY14-1B | 18×13 | 10×8 | 5MCY14-1B | 22×16 | 14×12 |
| | | 型號 | b | b0 (N0) | D0 | D1 (f9) | D2 | D3 | b0 (N0) | d (h6) | d1 | d2 | d3 | 1.25,2.5MCY14-1B | 85 | 5 | 80 | 52 | 94 | 98 | 14 | 14 | M18×1.5 | M10×1 | 44 | 5MCY14-1B | 95 | 6 | 90 | 60 | 97 | 102 | 20 | 20 | M22×1.5 | M14×1.5 | 48 | 型號 | L | I | I0 | I1 | I2 | I3 | I4 | I4 | I5 | t | d0×h0 | 1.25,2.5MCY14-1B | 175 | 25 | 20 | 3 | 26 | 63 | 79 | 79 | 123 | 16 | M8×14深 | 5MCY14-1B | 196.5 | 32 | 28 | 3 | 34 | 73 | 90 | 90 | 142.5 | 22.5 | M8×20深 |
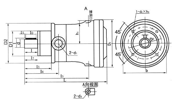
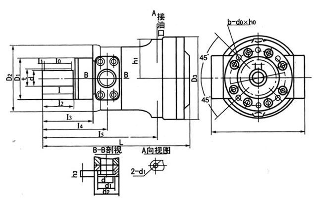
| 10.25.(32).40.63.(80) MCY14-1B(括號內為MGY) | | 推薦管道尺寸 1.MCY-14-1B可采用SCY14-1B的管道尺寸。 2.CM14-1B可采用CCY14-1B的管道尺寸。 | | 型號 | b | b0 (N0) | b3 | D0 | D1 (f9) | D2 | D3 | d (h6) | d1 | d2 | d3 | h1 | 10MCY14-1B | 142 | 8 | | 100 | 75 | 125 | 150 | 25 | M22×1.5 | | M14×1.5 | 71 | 25.(32)MCY14-1B | 172 | 8 | | 125 | 100 | 150 | 170 | 30 | M33×2 | | M14×1.5 | 83 | 40MCY14-1B | 180 | 10 | | 135 | 100 | 164 | 182 | 32 | M39×2 | | M18×1.5 | 87 | 63.(80)MCY14-1B | 200 | 12 | | 155 | 120 | 190 | 225 | 40 | M43×2 | | M18×1.5 | 108 | 160MCY14-1B | 340 | 16 | 90 | 198 | 150 | 240 | 300 | 55 | 50 | 64 | M22×1.5 | 141 | 250.(400)MCY14-1B | 420 | 18 | 110 | 230 | 180 | 280 | 360 | 60 | 55 | 76 | M22×1.5 | 170 | 型號 | h3 | L | I | I0 | I1 | I2 | I3 | I4 | I5 | t | d0×h0 | 10MCY14-1B | | 253 | 40 | 30 | 4 | 41 | 86 | 109 | 194 | 28 | M10×25深 | 25.(32)MCY14-1B | | 308 | 52 | 45 | 4 | 54 | 104 | 134 | 246 | 32.5 | M10×25深 | 40MCY14-1B | | 311 | 49 | 45 | 4 | 54 | 104 | 136 | 236 | 35 | M10×25深 | 63.(80)MCY14-1B | | 385 | 60 | 50 | 4 | 62 | 122 | 157 | 300 | 42.8 | M10×25深 | 160MCY14-1B | 25 | 525 | 106 | 100 | 4 | 110 | 180 | 230 | 411 | 59 | M16×25深 | 250MCY14-1B | 25 | 622 | 110 | 100 | 5 | 112 | 212 | 272 | 492 | 63.9 | M20×25深 | 400MCY14-1B | 28 | 632 | 110 | 100 | 5 | 112 | 212 | 277 | 502 | 63.9 | M20×35 |
|
因產品生產批次、型號不同,產品圖片僅供參考,詳情可聯系我們的銷售人員
|